- 搪玻璃設備
- 王經理:05332860177
- 不銹鋼有色金屬設備
- 傅經理:13906430854
- 襯四氟設備及配件
- 傅經理:15253328001
- 技術咨詢服務
- 王經理:18653342297
不銹鋼儲罐
來源:未知??日期:2022-04-21

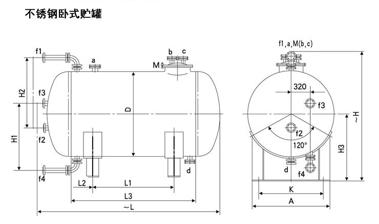
不銹鋼臥式儲罐主要參數表、管口尺寸表
|
公稱容積 VN(L) |
實際容積 VN(L) |
主要尺寸(mm) | 管口公稱直徑 DN |
重量 (KG) |
|||||||||||||||
| D | H1 | H2 | H3 | H | L1 | L2 | L3 | L | A | K | a | b | c | d | f1-4 | M | |||
| 3000 | 3337 | 1450 | 1100 | 1200 | 1089 | 2146 | 934 | 260 | 1454 | 2288 | 1300 | 1090 | 80 | 70 | 70 | 80 | 70 | 400 | 1700 |
| 4000 | 4457 | 1450 | 1100 | 1200 | 1089 | 2146 | 1494 | 320 | 2134 | 2968 | 1300 | 1090 | 80 | 70 | 70 | 80 | 70 | 400 | 2000 |
| 5000 | 5550 | 1600 | 1200 | 1200 | 1166 | 2300 | 1420 | 360 | 3140 | 3052 | 1430 | 1180 | 80 | 70 | 70 | 80 | 70 | 400 | 2500 |
| 6300 | 7024 | 1750 | 1300 | 1300 | 1243 | 2454 | 1474 | 390 | 2254 | 3246 | 1560 | 1300 | 80 | 70 | 70 | 80 | 70 | 400 | 3200 |
| 8000 | 9810 | 1900 | 1300 | 1400 | 1318 | 2604 | 1590 | 420 | 2430 | 3496 | 1690 | 1420 | 80 | 70 | 70 | 80 | 70 | 400 | 3800 |
| 10000 | 11094 | 2000 | 1400 | 1400 | 1368 | 2704 | 1880 | 450 | 2780 | 3900 | 1780 | 1490 | 100 | 80 | 80 | 100 | 70 | 400 | 4700 |
| 12500 | 13920 | 2000 | 1400 | 1400 | 1368 | 2704 | 2740 | 470 | 3680 | 4800 | 1780 | 1490 | 100 | 80 | 80 | 100 | 70 | 400 | 5700 |
| 16000 | 17756 | 2200 | 1500 | 1500 | 1470 | 2908 | 2840 | 500 | 3840 | 5080 | 1950 | 1680 | 100 | 80 | 80 | 100 | 70 | 400 | 6700 |
| 20000 | 22332 | 2400 | 1600 | 1600 | 1572 | 3112 | 2930 | 550 | 4030 | 5374 | 2130 | 1890 | 100 | 80 | 80 | 100 | 70 | 400 | 8300 |
| 25000 | 27790 | 2800 | 1800 | 1900 | 1774 | 3516 | 2280 | 600 | 3480 | 5028 | 2470 | 2240 | 100 | 80 | 80 | 100 | 70 | 400 | 9900 |
| 30000 | 33300 | 3000 | 1900 | 2000 | 1876 | 3720 | 2370 | 630 | 3630 | 5282 | 2650 | 2430 | 100 | 80 | 80 | 100 | 70 | 400 | 12300 |
| 40000 | 42100 | 3000 | 1900 | 2000 | 1876 | 3720 | 3600 | 630 | 4860 | 6512 | 2650 | 2430 | 100 | 80 | 80 | 100 | 70 | 400 | 15900 |
| 50000 | 52630 | 3000 | 1900 | 2000 | 1876 | 3720 | 5088 | 630 | 6348 | 8000 | 2650 | 2430 | 100 | 80 | 80 | 100 | 70 | 400 | 19800 |
備注:以上參數是參考搪玻璃臥式儲罐規格參數,不銹鋼儲罐屬于非標,具體參數與技術共同確定。
不銹鋼儲罐顧名思義就是具有防腐功能的大型儲備設備,它是以不銹鋼為原料制成的儲罐。和普通的滾塑儲罐相比,不銹鋼儲罐可以耐受更高的壓力,在很多高壓場合廣泛使用,并且由于不銹鋼儲罐密封性好,大多用來儲運食品,藥品,并廣泛的用于釀酒業和乳業。
不銹鋼儲罐顧名思義就是具有防腐功能的大型儲備設備,它是以不銹鋼為原料制成的儲罐。和普通的滾塑儲罐相比,不銹鋼儲罐可以耐受更高的壓力,在很多高壓場合廣泛使用,并且由于不銹鋼儲罐密封性好,大多用來儲運食品,藥品,并廣泛的用于釀酒業和乳業。
不銹鋼儲罐也是有很多種類型的,不管是按形式分,還是按用途分類,以及按衛生標準分類都是有可以把不銹鋼儲罐的種類羅列出來,下面我們就來看看不銹鋼儲罐的大體分類:
1. 食品制藥類不銹鋼儲罐:
不銹鋼配料儲罐,不銹鋼濃配儲罐,不銹鋼稀配儲罐,不銹鋼提取儲罐,不銹鋼反應儲罐,不銹鋼儲液罐,不銹鋼攪拌罐,不銹鋼種子儲罐,不銹鋼硝酸儲罐,不銹鋼冰醋酸儲罐,不銹鋼二硫化碳桶罐,不銹鋼水塔儲罐。
2. 釀酒乳業類不銹鋼罐:
不銹鋼葡萄酒儲罐,不銹鋼白酒儲罐,不銹鋼酒儲罐,不銹鋼奶(乳)罐,不銹鋼飲料儲罐
3. 化工類不銹鋼罐:
不銹鋼油儲罐,不銹鋼運輸儲罐,不銹鋼冷卻儲罐,不銹鋼保溫儲罐,不銹鋼熱交換儲罐,不銹鋼緩沖罐,不銹鋼室外儲罐和化工行業的各級別不銹鋼壓力容器。
以上則是對不銹鋼儲罐的分類大體介紹了,我們已經了解了不銹鋼儲罐的分類,那么不銹鋼儲罐的特點我們也是不能遺漏的,那么我們就來了解不銹鋼儲罐的特點:
1.不銹鋼罐有較強的耐腐性,它不受外界空氣及水中余氯腐蝕。每個球罐出廠前均經受超強的壓力測試和檢驗。
2.不銹鋼罐密封性好;密封式設計徹底杜絕了空氣飄塵中有害物質和蚊蟲入侵罐內,確保水質不受外界污染和滋生紅蟲。
3.科學的水流設計使罐底的沉淀 物不因水流而翻起,保證生活用水和消防用水自然分層,經罐體出來的生活用水的混濁度降低 48.5% ; 但水壓卻明顯的增加。有利于提高生活用水和消防用水設施的性能。
4.不銹鋼罐無需經常清洗;水中的沉淀物質只而定期打開罐底的排污閥便可排出。每 3 年可用簡易設備清除水垢一次,大大降低清洗費用和完全避免人體細菌病毒污染。
除了不銹鋼儲罐的以上特點外,不銹鋼儲罐焊接的特點,我們也可以了解的。不銹鋼焊接特點:不銹鋼導熱系數小,在同樣的電流下,可比低合金鋼得到較大的熔深。同時又由于其電阻率大,在焊條電弧焊時,為了避免焊條發紅,與同直徑的碳鋼或低合金鋼焊條相比,焊接電流較小。
以上不銹鋼儲罐和不銹鋼儲罐焊接的特點,決定了不銹鋼儲罐的用途:
不銹鋼儲罐和普通的滾塑儲罐相比,不銹鋼儲罐可以耐受更高的壓力,在很多高壓場合廣泛使用,同時不銹鋼儲罐有個很顯著的特點:罐體密封性能優異,徹底杜絕了空氣中有害物質和蚊蟲的侵入,確保罐內存放的液體不會受到外界污染,不會滋生紅蟲,因此不銹鋼儲罐大多用來儲運食品,藥品,并廣泛的用于釀酒業和乳業。
由于各個行業和產品之間對不銹鋼儲罐的壓力要求不同,而工作壓力越大,籌劃的不銹鋼儲罐厚度也越大。個中金屬不銹鋼儲罐蒙受壓力可以較大。非金屬材料接受較小的壓力或只能常壓使用。不銹鋼儲罐的厚度是遵循差異體積、資料、比重、壓力,通過實踐共計或經驗所得。所以如果客戶有特殊的要求,可以同我們的技術人員交流,我們會按您的需求,打造出設備。
我公司以低廉的價格,現場制作大型不銹鋼儲罐,并自帶制作不銹鋼儲罐的提升設備、焊接設備,以及各種技術人員,我公司對生產制作的產品質量負責,工人的安全負責,客戶的滿意度負責。
淄博福民24小時客戶服務熱線:如果您對不銹鋼臥式儲罐感興趣或有疑問,請致電:0533-2860177/13906430854,淄博福民化工設備--您貼心的采購廠家。
上一篇:沒有了
下一篇:沒有了









